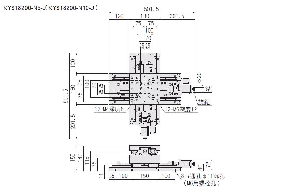
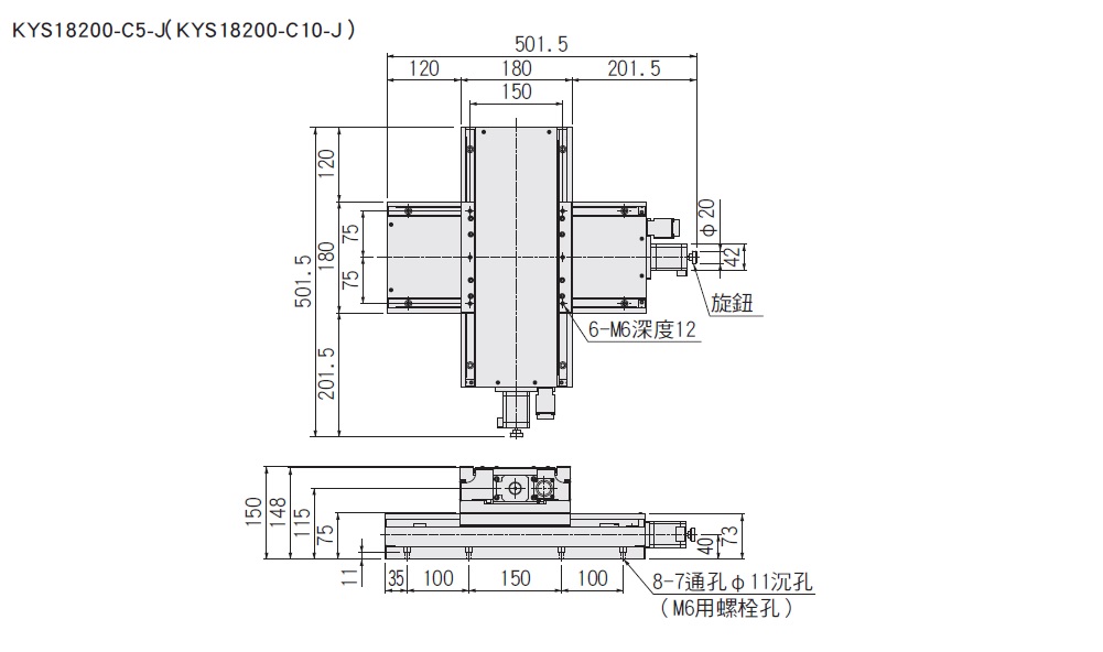
XY軸滑動導軌:KYS18200

外型尺寸圖

型號組成・選配代號

電氣規格・電線接線圖

關於潤滑油更換

【精度保證】
<無塵室環境用潤滑油>
・潤滑油的黏性阻力變大,難以滿足與產品目錄記載的標準潤滑油型同等配置。
・特別是微小步進方面出現追從行低下的傾向。
・標準潤滑油型的1.5倍的停止性能値為精度保證值。
・CAVE-X系列・KXT系列・KXS系列以無塵室環境用(AFF)為標準,因此保證各產品介紹頁登載的規格精度。
【精度保證】
<真空環境用潤滑油>
・因潤滑油黏度阻力,導致出貨精度上的誤差。
・各產品介紹頁所標示規格在保證範圍外。
【更換部位】
・導軌、軸承部(除附密封軸承以及支援單元)
・滾珠螺桿

※滾珠螺桿、導軌、軸承(僅無密封軸承)為洗净後進行塗抹製程。
※馬達的潤滑油不可更換。
Page top