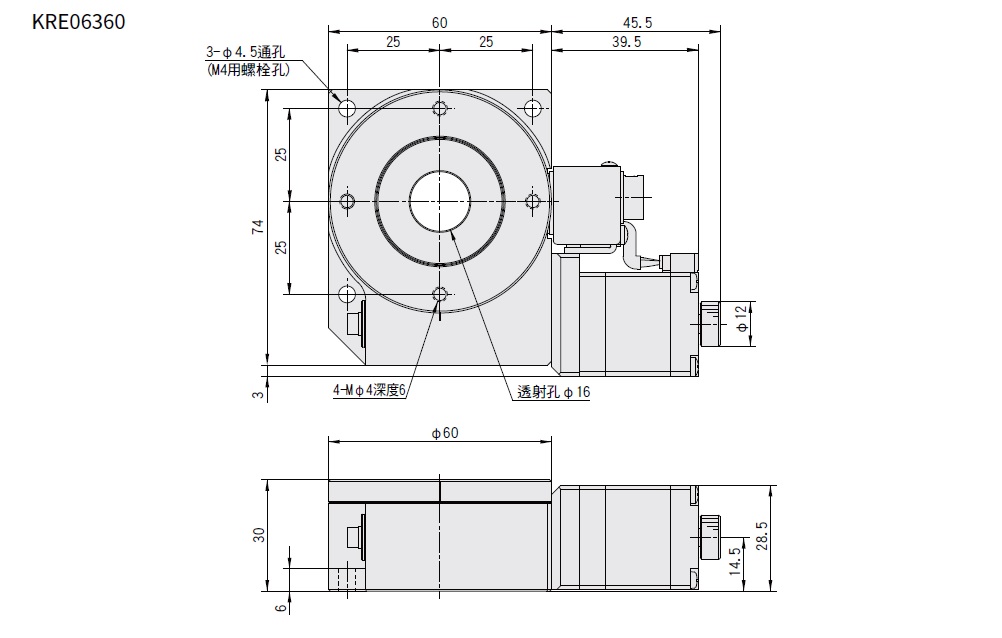
旋轉 蝸桿傳動式:KRE06360

外型尺寸圖

型號組成・選配代號

滑台台面尺寸:φ60mm的規格時,型號為「KRE06~」開頭。

電氣規格・電線接線圖

Page top