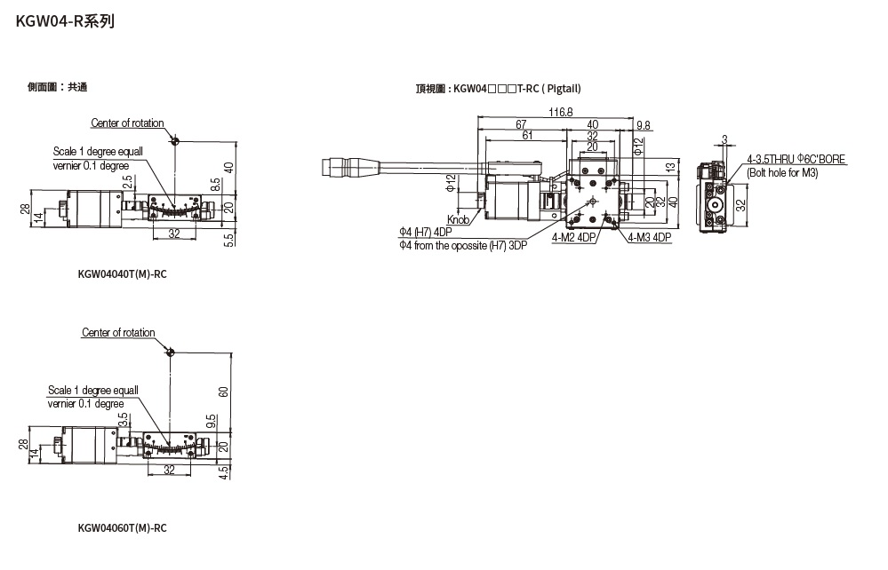
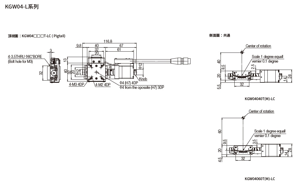
測角滑台蝸桿型:KGW04

Page top