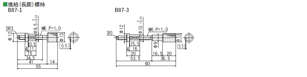
進給螺絲[間距1mm]

-筆結果

外型尺寸圖

Page top