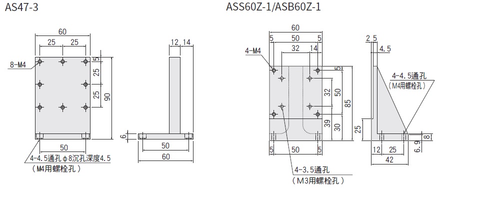
AS47-3(Z軸支架(60mm寬對應))

Spec

加入報價請求清單
基本項目 型號 AS47-3
CAD
定價 (1數量) 詢價
RoHS RoHS10物質對應
基本規格 產品 Z軸支架
主要材質 不鏽鋼
表面處理 -
外型 全長[mm] 90
全幅[mm] 60
全高[mm] 90
重量 本身重量[kg] 0.5
附屬品 六角帶孔螺釘 M4-6 4個
備註 產品説明 □60mm直動滑台用

外型尺寸圖

Page top