OPS_適配器板

-筆結果

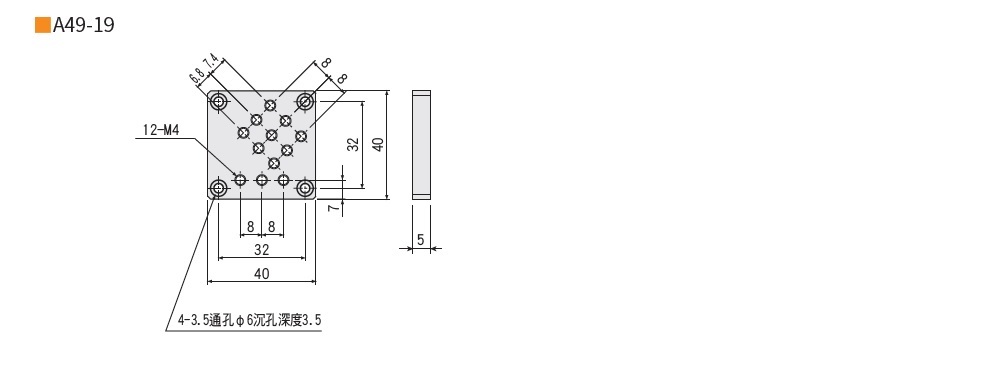
外型尺寸圖

Page top