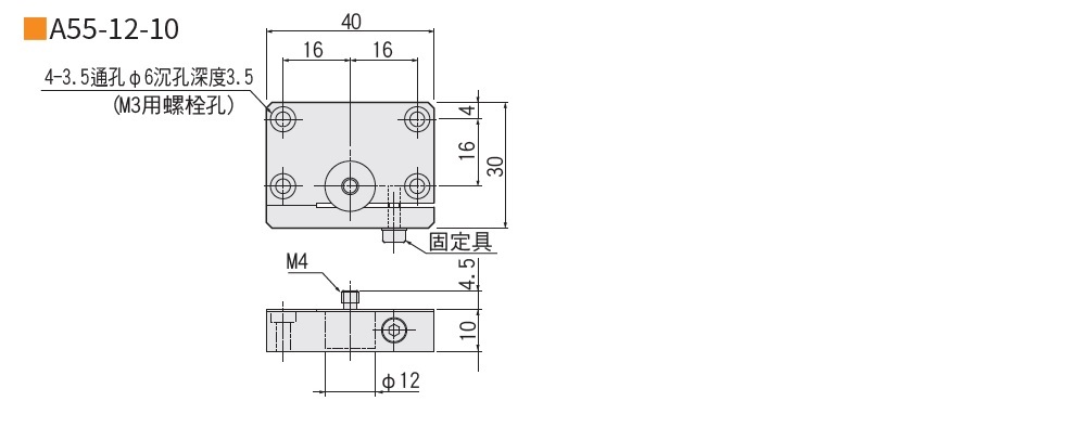
OPS_板型立桿支架:A55-12-10

-筆結果

外型尺寸圖

Page top