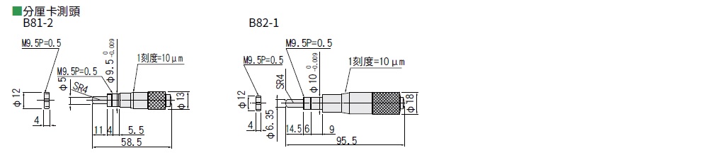
分厘卡測頭[間距0.5mm]

-筆結果

外型尺寸圖

Page top