無馬達XY軸直線滾珠導軌:KYG06030V

-筆結果

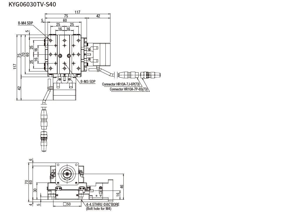
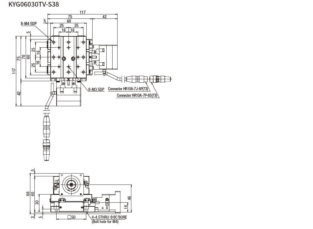
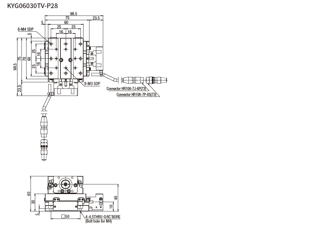
外型尺寸圖

型號組成/選配代號

無馬達產品使用注意事項

Page top