無馬達型X軸直線滾珠導軌型:KXG06020V

-筆結果

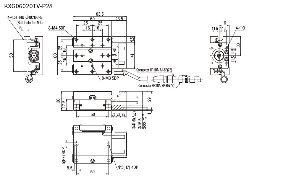
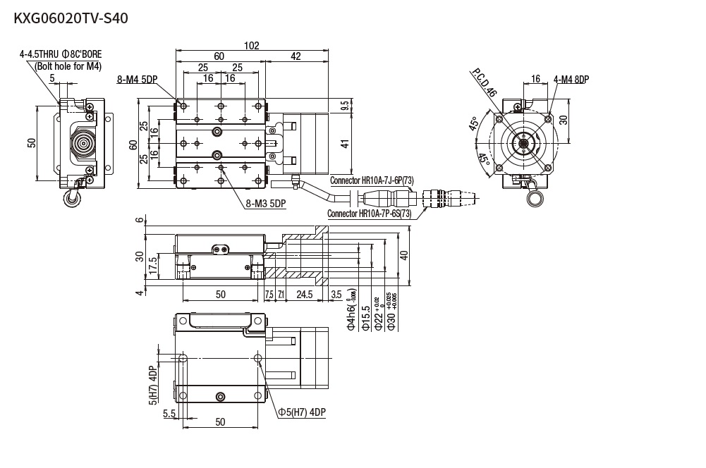
外型尺寸圖

型號組成・選配代號

無馬達產品使用注意事項

Page top