無馬達旋轉渦輪傳動式:KRW06360V

-筆結果

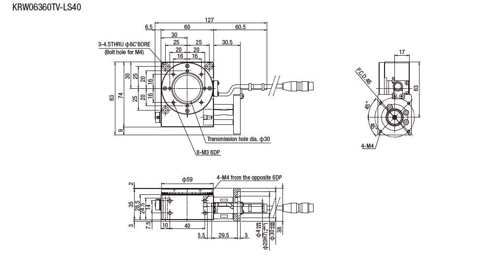
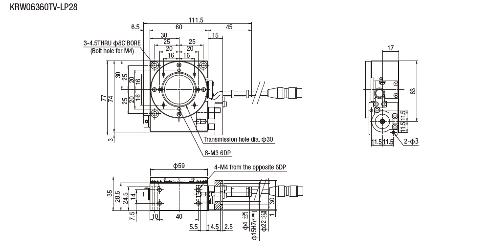
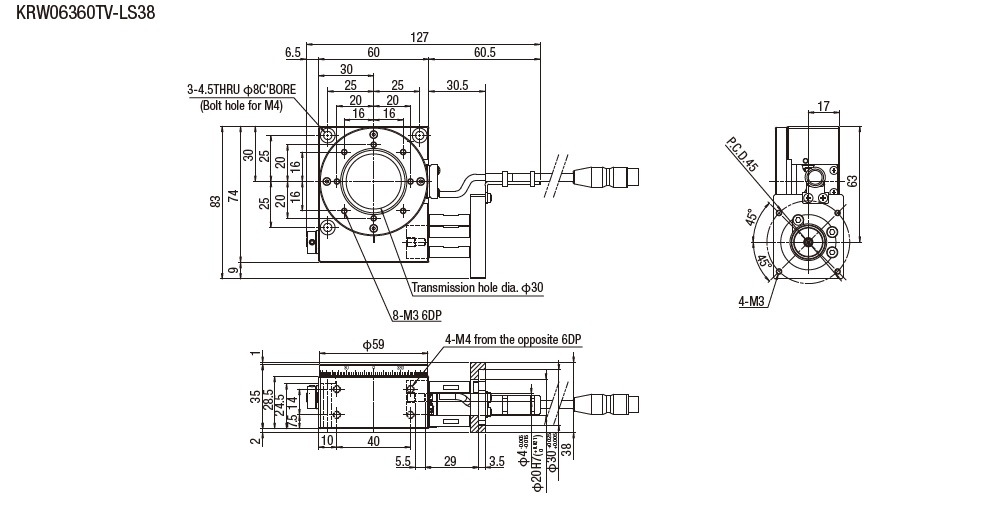
外型尺寸圖

型號組成・選配代號

無馬達產品使用注意事項

Page top