旋轉光纖夾具:F264

-筆結果

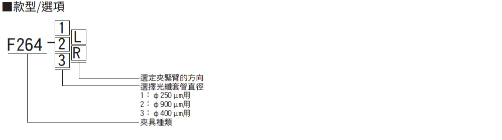
型號組成・選配代號

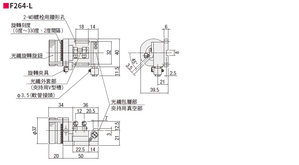
外型尺寸圖

Page top