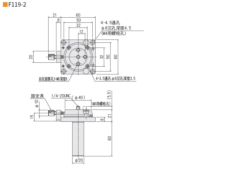
固定型鏡架:F119

-筆結果

外型尺寸圖

Page top