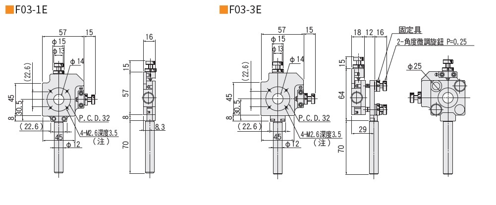
精密十字調節鏡架 (□45/伸縮桿類型):F03

-筆結果

外型尺寸圖

Page top