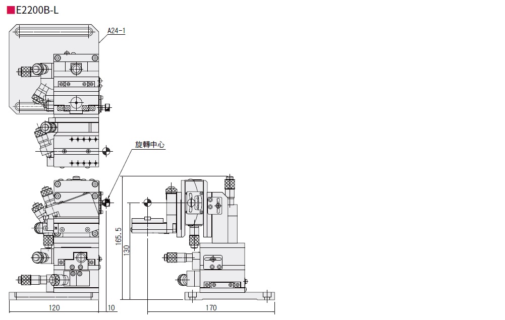
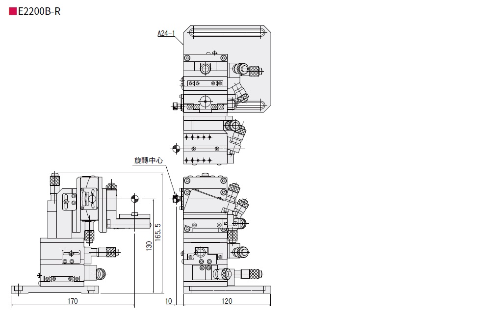
型號 ★★★
已加入報價請求清單
若要請求報價,請指定以下尺寸並點擊「加入報價請求清單」按鈕。
檔案格式 請選擇 下載
登出
請先註冊會員,才能進行 CAD 資料的生成與下載。
請輸入 E-mail address 以接收密碼重設連結。
E-mail address 送出