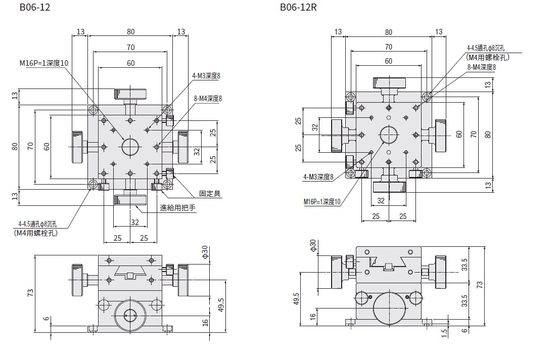
XY軸 鳩尾槽式齒輪齒條□60mm

-筆結果

外型尺寸圖

Page top