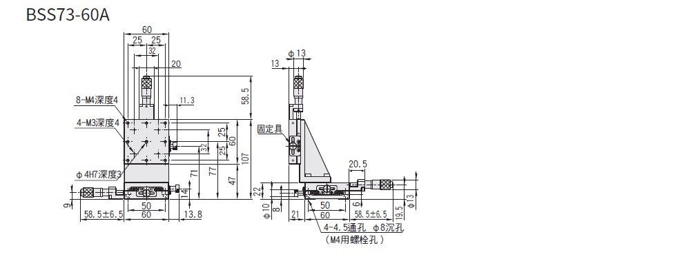
薄型XYZ軸直線滾珠導軌□60mm:BSS73-60

-筆結果

外型尺寸圖

Page top