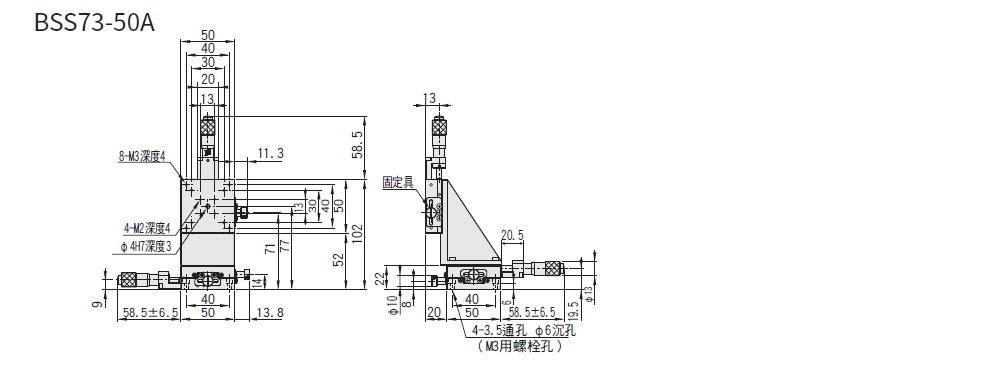
薄型XYZ軸直線滾珠導軌□50mm:BSS73-50

-筆結果

外型尺寸圖

Page top