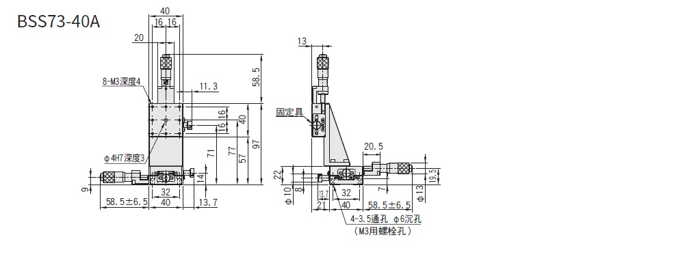
薄型XYZ軸直線滾珠導軌□40mm:BSS73-40

-筆結果

外型尺寸圖

Page top