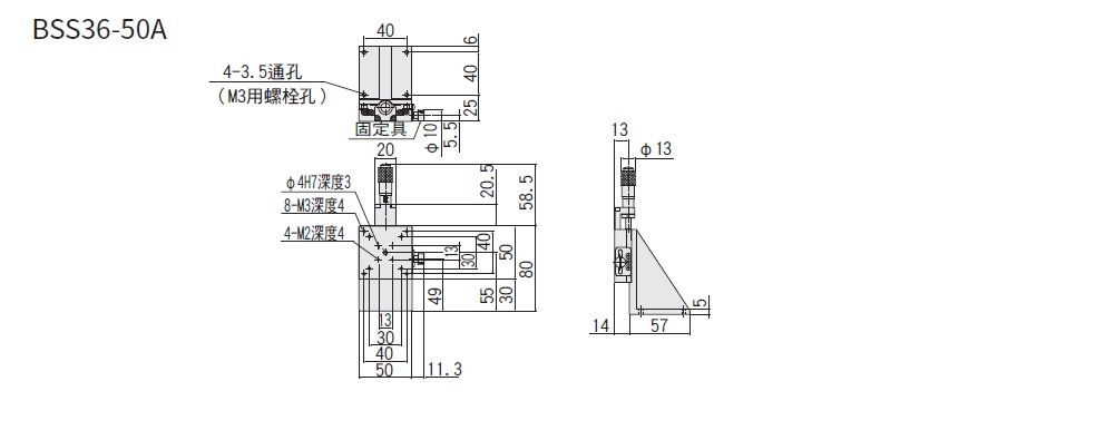
Z軸 直線滾珠導軌型□50mm:BSS36-50

-筆結果

外型尺寸圖

Page top