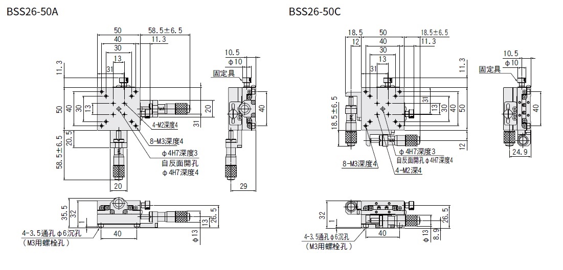
XY軸直線滾珠□50mm:BSS26-50

-筆結果

外型尺寸圖

外型尺寸圖

Page top