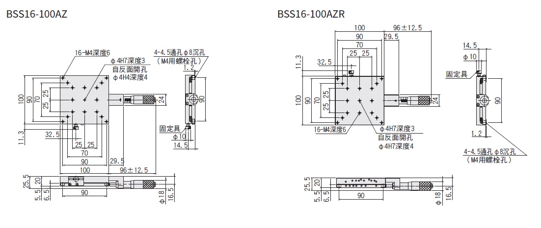
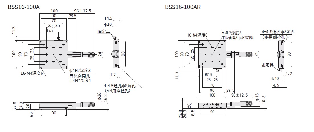
X軸 直線滾珠導軌型□100mm:BSS16-100

-筆結果

外型尺寸圖

Page top