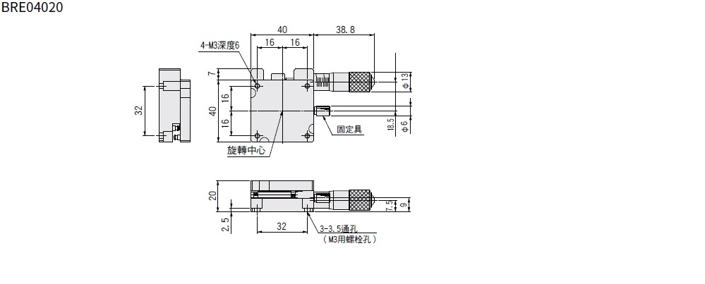
旋轉滑台 角型(磨合方式)□40mm:BRE04

-筆結果

外型尺寸圖

Page top