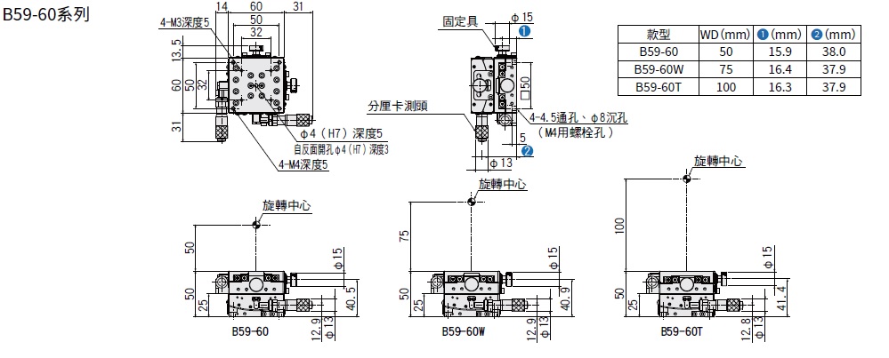
交叉滾子測角滑台□60mm:B59-60(分厘卡)

-筆結果

外型尺寸圖

Page top