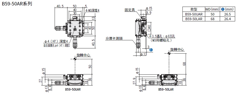
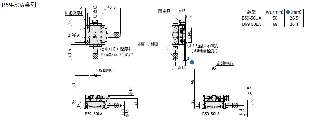
交叉滾子測角滑台□50mm:B59-50(分厘卡)

-筆結果

外型尺寸圖

Page top