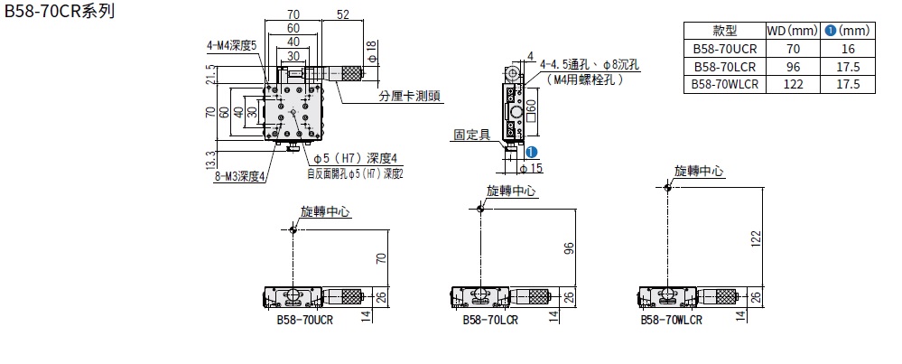
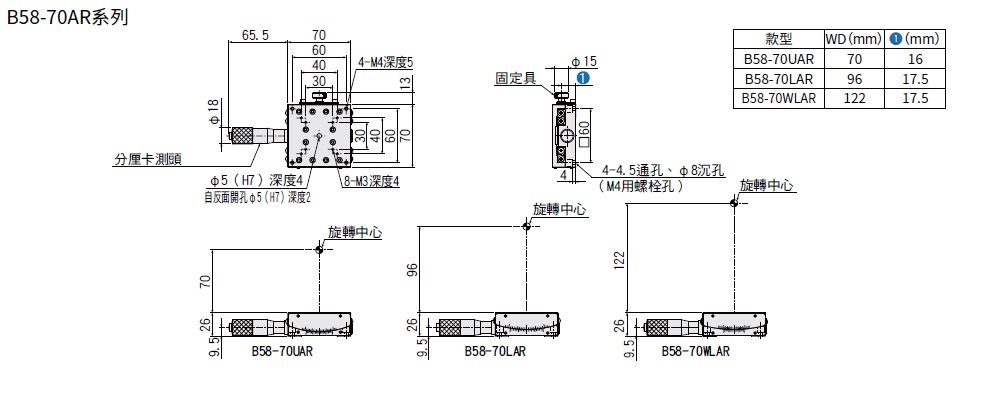
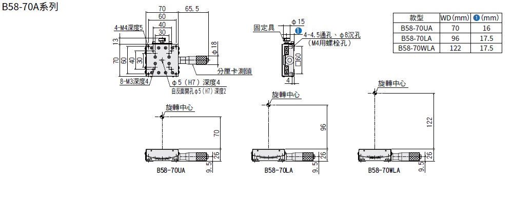
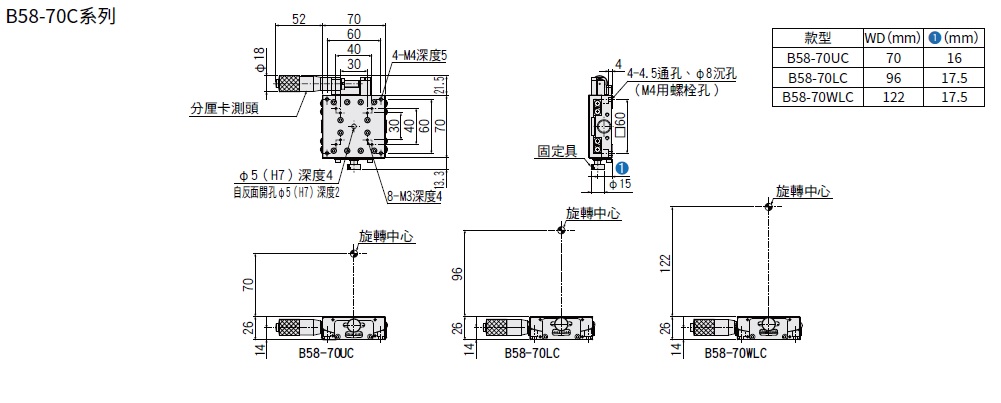
交叉滾子測角滑台□70mm:B58-70(分厘卡)

-筆結果

外型尺寸圖

Page top