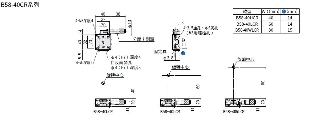
交叉滾子測角滑台□40mm:B58-40(分厘卡)

-筆結果

外型尺寸圖

Page top