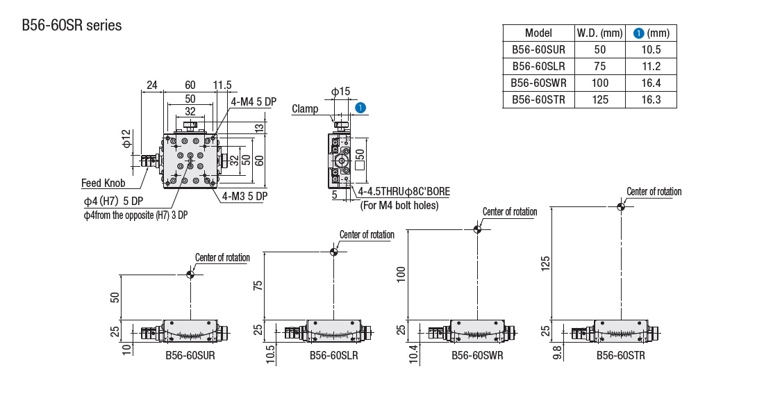
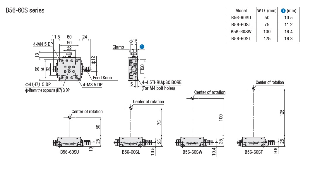
交叉滾子測角滑台□60mm:B56-60S(蝸桿)

-筆結果

外型尺寸圖

Page top