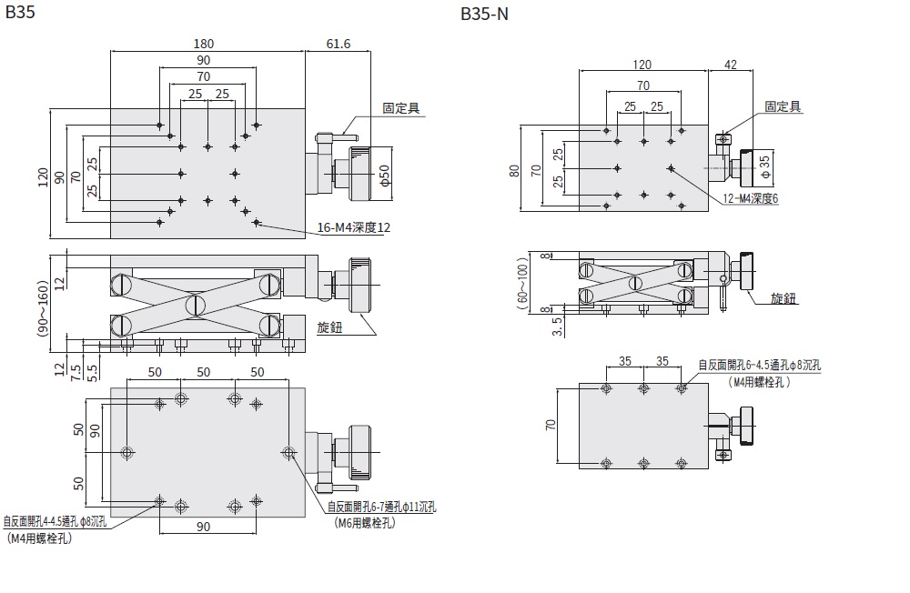
升降台:B35

-筆結果

外型尺寸圖

Page top