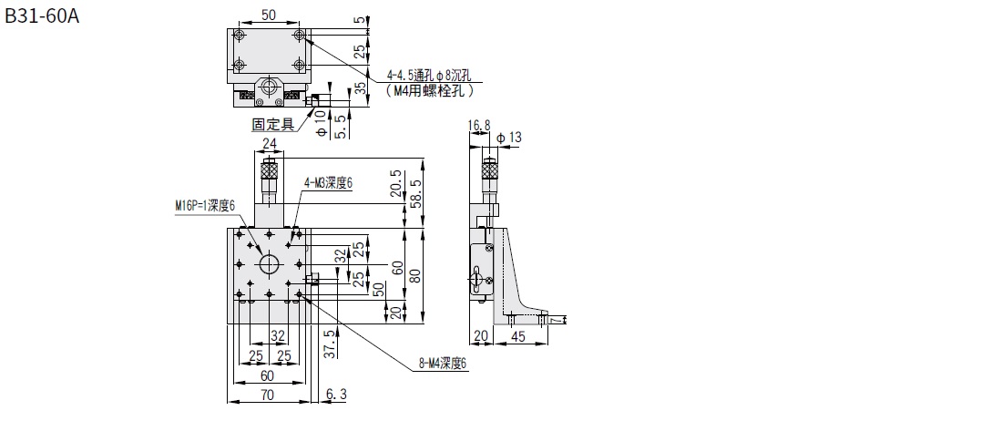
Z軸交叉滾柱導軌型□60mm:B31-60

-筆結果

外型尺寸圖

Page top