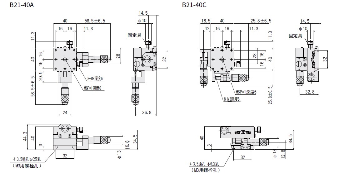
XY軸交叉滾柱□40mm:B21-40

-筆結果

外型尺寸圖

Page top