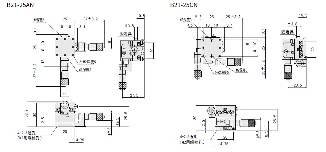
XY軸交叉滾柱□25mm:B21-25

-筆結果

外型尺寸圖

Page top