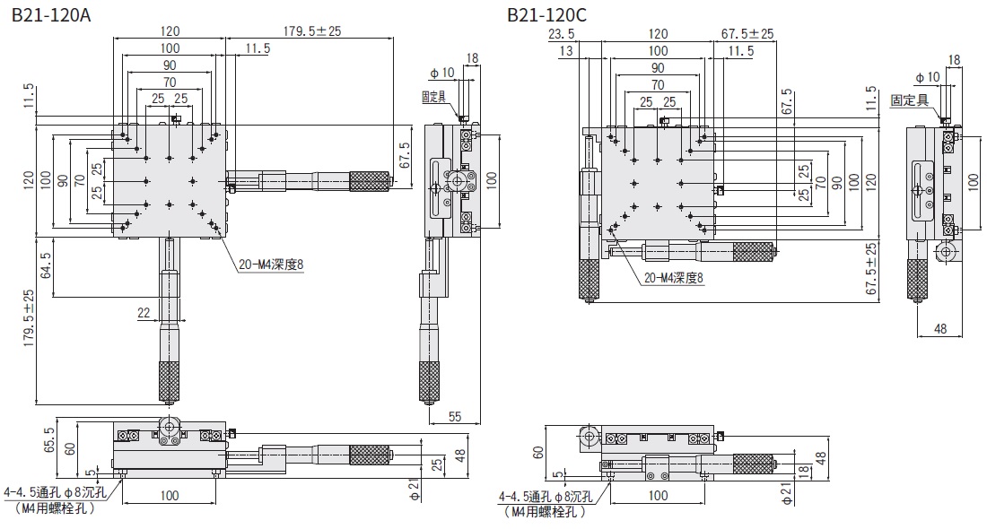
XY軸交叉滾柱□120mm:B21-120

-筆結果

外型尺寸圖

Page top