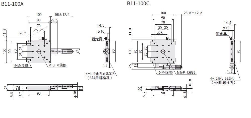
X軸 交叉滾珠導軌型□100mm:B11-100

-筆結果

外型尺寸圖

Page top