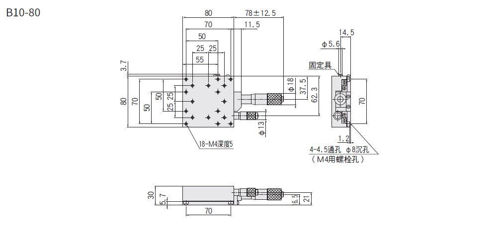
X軸 交叉滾珠導軌型□80mm:B10-80(高解析度)

-筆結果

外型尺寸圖

Page top