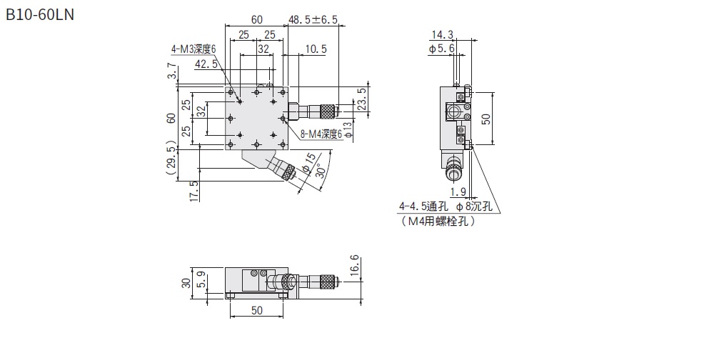
X軸 交叉滾珠導軌型□60mm:B10-60(高解析度)

-筆結果

外型尺寸圖

Page top