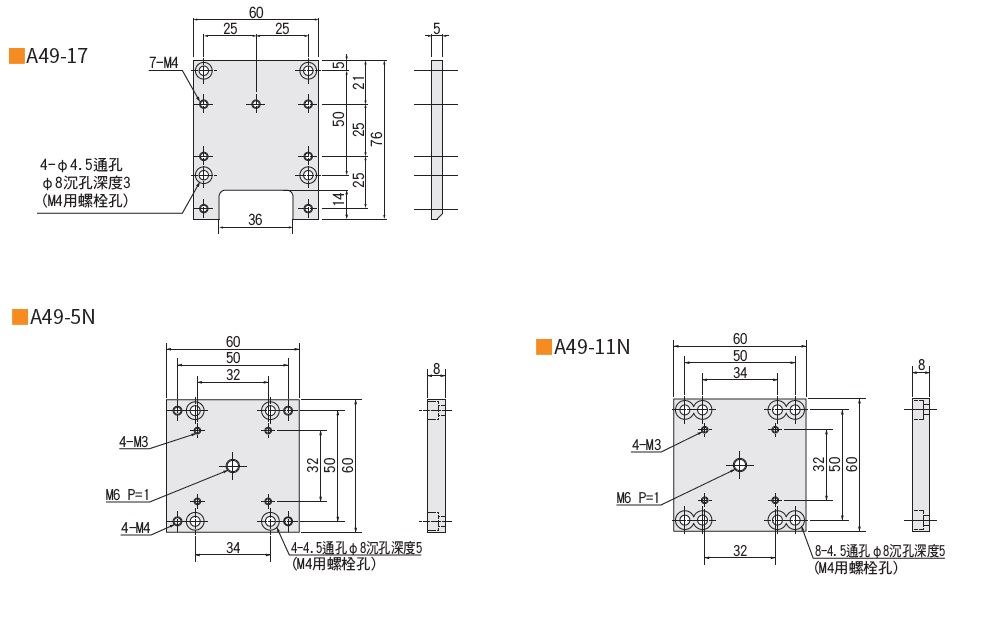
適配板:□60

-筆結果

外型尺寸圖

Page top